- 软件大小:5.00M
- 软件语言:中文
- 软件类型:国产软件
- 软件类别:免费软件 / 电子图书
- 更新时间:2016-03-08 11:20
- 运行环境:WinAll, WinXP
- 软件等级:

- 软件厂商:
- 官方网站:http://www.downcc.com

66.90M/中文/10.0
7.38M/中文/10.0
15.02M/中文/10.0
1.47M/中文/0.0
3.58M/中文/8.0
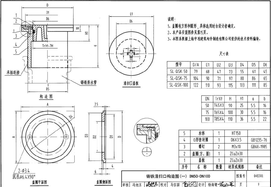
04s301图集由华东建筑设计研究院主编,代替原来的92S220图集,国标04s301介绍了一般工业建筑排水设备附件的选用与安装,非常适合施工人员参考本图集安装,这本资料是pdf格式的,大家可以随时下载查阅。




总说明5
铸铁清扫口构造图(一)9
铸铁清扫口构造图(二)10
全铜清扫口构造图11
塑料清扫口构造图12
地面式清扫口(甲型)安装图13
地面式清扫口(乙型)安装图14
地面式清扫口(丙型)安装图15
楼板下清扫口(甲型)安装图16
楼板下清扫口(乙型)安装图17
楼板下清扫口(丙型)安装图18
铸铁直通式地漏构造图(一)19
铸铁直通式地漏构造图(二)20
铸铁直通式地漏构造图(三)21
全铜直通式地漏构造图22
无水封(直通式)地漏(甲型)安装图23
无水封(直通式)地漏(乙型)安装图24
无水封(直通式)地漏(丙型)安装图25
铸铁有水封地漏构造图26
塑料有水封地漏构造图(一)27
塑料有水封地漏构造图(二)28
塑料有水封地漏构造图(三)29
有水封地漏(甲型)安装图30
有水封地漏(乙型)安装图31
有水封地漏(丙型)安装图32
铸铁无水封密闭型地漏构造图33
不锈钢有水封密闭型地漏构造图34
塑料无水封磁性翻斗式地漏构造图35
塑料有水封防干涸地漏构造图36
铸铁有水封直埋式地漏构造图37
全铜无水封直埋式地漏构造图38
塑料有水封直埋式地漏构造图(一)39
塑料有水封直埋式地漏构造图(二)40
塑料有水封直埋式地漏构造图(三)41
直埋式地漏产品性能汇总表/安装图42
铸铁防溢地漏构造及安装图43
塑料防溢地漏构造图44
塑料直埋式防溢地漏构造图45
塑料直埋式多通道地漏构造图46
铸铁无水封带网框地漏构造及安装图47
铸铁有水封带网框地漏构造及安装图48
铸铁有水封带网框地漏(斜排式)构造图49
铸铁有水封带网框地漏(斜排式)安装图50
塑料多通道地漏构造及安装图(一)51
塑料多通道地漏构造及安装图(二)52
塑料多通道地漏构造及安装图(三)53
塑料多通道地漏构造及安装图(四)54
塑料有水封直埋式多通道地漏构造图(一)55
塑料有水封直埋式多通道地漏构造图(二)56
塑料有水封直埋式多通道地漏构造图(三)57
塑料有水封直埋式多通道地漏构造图(四)58
塑料有水封直埋式多通道地漏构造图(五)59
塑料有水封直埋式多通道地漏构造图(六)及安装图60
塑料侧墙式地漏构造图61
铸铁侧墙式地漏构造图62
铸铁侧墙式地漏安装图63
不锈钢悬挂式水封盒构造及安装图(一)64
不锈钢悬挂式水封盒构造及安装图(二)65
钢制排水口构造、配件及安装图66
水景池排水口配件及安装图67
地下车库等地面排水口安装图68
钢制矩形排水漏斗配件图69
钢制锥形排水漏斗配件图70
钢制菱形排水漏斗配件图71
塑料伸顶式通气帽构造图72
铸铁伸顶式通气帽(倒杯形)构造图73
铸铁伸顶式通气帽(蘑菇形)构造图74
铸铝伸顶式通气帽(蘑菇形)构造图75
不锈钢侧墙式通气帽构造图76
侧墙式通气帽(甲型)安装图77
侧墙式通气帽(乙型)安装图78
侧墙式通气帽(丙型)安装图79
脏物捕集器(一)构造及配件图80
脏物捕集器(一)安装图(甲型)81
脏物捕集器(一)安装图(乙型)82
脏物捕集器(一)安装图(丙型)83
脏物捕集器(二)构造及配件图84
脏物捕集器(二)安装图(甲型)85
脏物捕集器(二)安装图(乙型)86
脏物捕集器(二)安装图(丙型)87
毛发聚集器(法兰式)构造图88
毛发聚集器(螺纹式)构造图89
毛发聚集器(悬挂式)构造及安装图90
厨房地沟除渣箱安装图91
地上式隔油器构造图(一)92
地上式隔油器构造图(二)93
地上式隔油器安装图94
地上式带滤芯隔油器构造图(一)95
地上式带滤芯隔油器构造图(二)96
地上式带滤芯隔油器构造图(三)97
地上式带滤芯隔油器构造图(四)98
地上式带滤芯隔油器安装图99
地上式自动刮油隔油器构造图100
地上式自动刮油隔油器(带滤芯)构造图101
地上式自动刮油隔油器安装图102
地上式自动刮油隔油器(带气浮)构造图103
地上式自动刮油隔油器(带气浮)安装图104
地上式自动刮油隔油器(带气浮)安装参数表105
悬挂式隔油器构造图106
悬挂式隔油器安装图107
悬挂式自动刮油隔油器(带滤芯)构造图(一)108
悬挂式自动刮油隔油器(带滤芯)构造图(二)109
悬挂式自动刮油隔油器(带滤芯)安装图(管道进水)110
悬挂式自动刮油隔油器(带滤芯)安装图(明沟进水)111
集中式隔油器构造及安装图112
阻火圈构造图113
阻火圈穿越楼板安装图114
阻火圈穿越防火墙安装图115
防火套管构造及安装图116
不同材质排水管道连接详图(一)117
不同材质排水管道连接详图(二)118
请描述您所遇到的错误,我们将尽快予以修正,谢谢!
*必填项,请输入内容